Ⅰ. 서 론
인간의 피부노화는 두 가지 과정이 있다. 외부적 요인인 햇빛 노출에 의한 피부노화와 내부적인 요인인 나이가 들어감에 따라 피부가 노화되는 생리적인 요인으로 나타나게 된다. 외부 빛에 의해 진행되는 노화는 색소침착, 거친 주름 등이 나타나고 사람의 생리적 요인에 발생되는 노화는 피부가 얇아지면서 피부 내 수분 이동이 감소되는 특징을 가지고 있다. 이 두 가지 과정의 노화 모두 피부 콜라겐 함량이 햇빛에 의해 파괴되거나 시간의 흐름에 따라 줄어들어 나타나게 된다1).
동백나무(Camellia japonica L. 이하 CJL)는 차나무(Theaceae)과, 동백속(Camelliae)에 속하는 상록소교목으로 주로 남해안과 도서지역과 서쪽으로는 대청도와 동쪽으로는 울릉도까지 분포하며, 전남지역이 전국 신재 면적의 67%를 차지한다2,3).
동백나무는 “其葉類茗, 又可作飮, 故得茶名”이라 하여 잎이 차와 비슷하여 山茶라는 이명으로 불리며 한의학 고전에서 그 사용례가 적다. 그 중 한의학 치료용으로 쓰인 부위는 꽃 부위인 山茶花로 “吐血衄血, 腸風下血”로 주로 出血 질환에 사용하였으며, 種子는 “喘息咳嗽, 祛痰“으로 호흡기 질환에 사용하였다2,4). 동백나무의 경우 《本草綱目》4)에서도 花와 子에 대해서만 藥性이 간략하게 나와 있는데, 이는 ”山茶産南方“으로 동백나무의 자생지가 주로 남방에 분포 하여 이로 인해 상대적으로 중국에서는 동백나무가 다용하지 않았고, 종자를 이용하여 만든 冬栢油의 경우도 한의학 고전에서 그 사용례가 거의 보이지 않았으며, 치료용 사용례로 제시된 고전은 한국의《醫宗損益》5)으로 “湯燒傷, 卽急向火灸, 強忍一時不痛, 忌冷物冷水. 熱毒不出, 新增, 冬柏油塗之神效.”로 사용례가 제시되어 있다. 湯燒傷은 燙火傷, 燒傷, 湯火瘡, 水火燙傷과 같은 질환으로 火焰, 熱水, 熱氣, 熱油 혹은 기타 온도가 높은 액체, 섬광 방사능, 전기 화학물질이 신체 표면에 작용하여 기인된 손상, 즉 열에 의한 피부의 손상 및 피부 하부 조직도 파괴된 질환을 지칭하는 용어로 현대의 화상과 동일한 질환이다6).
동백나무에 대한 기존 연구 중 冬栢油에 대한 것은 冬栢油의 산화안정성과 관능평가에 대한 연구가 있으며7), 동백나무의 잎, 꽃3,8), 종실과 유박9,10) 등 冬栢油 이외의 부분의 항산화, 항미생물 활성, 항균활성, 사포닌 및 아미노산 조성에 대한 연구가 되어져 있다. 冬栢油에 대한 실험적 연구가 적은 것은 本草學에서 冬栢油의 사용례가 적었던 것에 기인 한 것으로 생각된다.
서양의학의 화상 치료는 화상으로 유발된 홍반, 부종, 통증과 같은 염증을 억제하는 것과 화상으로 결손된 피부부위에 대한 이식 등의 보상방법을 주된 방향성으로 삼고 있다11,12). 이와 같은 화상에 대해 한의학에서 사용한 冬栢油의 경우에도 화상상처 부위의 염증 반응에 대한 항염, 항산화 효과 및 결손피부부위 회복에 있어서 중요한 콜라겐과 관련된 항노화 효과가 있을 것으로 생각되나, 이런 효과에 대한 연구가 많지 않았다. 이에 冬栢을 이용하여 천연 추출방법이라고 알려진 초임계 이산화탄소 추출방법을 사용하여 추출해 효능을 확인하였다.
Ⅱ. 재료 및 방법
실험에 사용된 동백종자는 서울 경동시장 자연초에서 구매하여 수분 5%미만으로 건조하였다. 건조된 동백종자는 추출에 사용하기 위하여 roll mill을 이용하여 800-1000um의 사이즈로 파쇄하여 사용하였다.
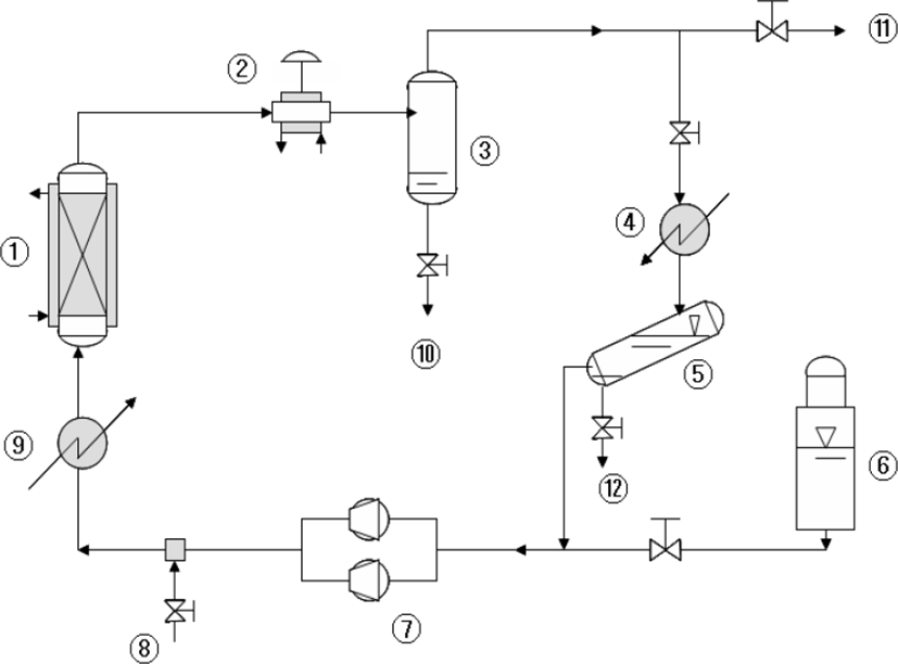
초임계 추출은 추출기 부피 기준 2L추출기를 사용하여 추출하였다(Fig. 1). 추출기에 파쇄된 동백종자를 넣고 pre-heater를 통과하면서 추출 조건에 맞는 온도의 이산화탄소가 조건에 맞게 가열된 추출기 바닥 쪽으로 들어가게 된다. 이때 초임계상태가 된 초임계이산화탄소는 파쇄 되어 충진 되어져 있는 동백종자와 접촉하여 동백종자 안의 초임계이산화탄소에 녹을 수 있는 물질을 추출하여 추출기 밖으로 나가게 된다. 초임계이산화탄소와 추출물의 혼합된 상태의 유체는 back pressure regulator (BPR)를 지나가게 되면서 감압이 되고, 분리기 안에서는 초임계이산화탄소가 기체가 되는 조건으로 인하여 추출물은 기체상태의 이산화탄소와 분리되어 바닥으로 떨어지게 된다. 기체가 된 이산화탄소는 냉각기를 지나게 되면서 액화가 되어 저장소로 이동하여 액체 상태로 저장되어지며 이 액체 이산화탄소는 가압기를 통하여 재사용이 되는 시스템으로 사용하였다. 추출은 10분마다 한 번씩 진행하여 추출물을 얻었다1,2).
Gas chromatography(GC)를 이용하여 동백초임계추출물의 지방산을 분석하였다. 분석 장비로는 HP 5890 system(HP, 19251A, USA)를 사용하였고 flame ionization detector (FID)를 사용하였다. GC로 분석하기 위해 methylation을 하였다. Fatty acid Standard(C14, C16, C18, C18:1, C18:2, C18:3)는 BF3 method를 사용하였고 추출물은 methylation으로 2N-KOH/MeOH를 사용하였다. 분석에 쓰인 column은 Supelco SP-2340 Fused Silica Capillary Column(30m, 0.25㎜(I.D), 0.20um(Film))을 사용하였다.
RAW 264.7 cell을 이용하여 동백종자초임계추출물의 nitric oxide 생성 억제 능력을 측정하였다. 분양받은 RAW 264.7 cell을 페니실린(10 U/㎖), 10% Fetal bovine serum(FBS)가 첨가된 Dulbecco’s modified Eagle’s medium (DMEM) 배지에서 37°C, 5% 이산화탄소가 유지된 인큐베이터에서 배양하였다. RAW 264.7 cell을 5×10⁴cell/well 농도로 96 well plate 에 분주한 후 24 시간 동안 배양 하여 1㎎/L 농도의 LPS를 처리하였다. 분석할 샘플을 phenol red가 포함되지 않은 DMEM에 PEG40 hydrogenated castor oil을 이용하여 emulsion을 만들고 DMEM을 사용하여 1, 5, 10, 50, 100, 200, 500㎎/L의 농도로 용해시킨 후 LPS 처리 된 RAW 264.7 cell에 2.5㎕씩 첨가하여 37°C, 5% 이산화탄소에서 배양하였다. 24시간 배양 후 상등액을 분리한 후 100㎕의 상층액과 100㎕의 Griess 시약(1% sulfanilamide, 0.1% N-1-naphthy- lenediamine dihydrochloride, 5% phosphoric acid)을 혼합한 후 10분 동안 반응시켰다. Microplate reader를 이용하여 540㎚에서 흡광도를 측정하여 nitric oxide 생성량을 측정하였다.
Beta carotene bleaching assay(BCB)는 항산화제인 alpha-tocopherol과 함께 비교 분석하였다. Beta- carotene을 녹인 chloroform 용액에 linoleic acid와 PEG-40(가용화제)을 섞어 evaporator로 chloroform을 완전히 제거한다. 이후 oxygenated water와 함께 emulsion을 만들고 동백종자초임계추출물과 3시간 반응하여 490㎚에서 흡광도를 측정하였다.
항노화 효능 평가를 위한 proteome을 분석하기 위하여 2D-PAGE를 실시하였다. 분석에 사용된 cell은 human dermal fibroblasts cell을 사용하였으며 동백종자초임계추출물을 DMSO(dimethylsulfoxide)에 100㎎/L의 농도로 용해시킨 후 cells에 2.5㎕씩 첨가하여 37°C, 5% 이산화탄소에서 배양하였다. 24시간 배양 후 원심분리하여 cells pellet을 얻고 DPBS (Dulbecco’s phosphate buffer saline)로 3회 washing 한다. Cell pellet에 200㎕의 lysis buffer (urea, thiourea, CHAPS, DTT, DDW, bromophenol blue, 2 % pharmalyte, 2 % carrier ampholyte, 4% PIC)를 넣고 30 °C에서 5시간 incubation 하여 단백질을 추출한다. 다시 원심 분리하여 상등액을 얻은 후 단백질을 정량하였다. 일차 전기영동을 위해 immobilized pH gradient(IPG) strip에 rehydration solution (urea, thiourea, CHAPS, DTT, Glycerol, DDW, bromophenol blue, 2 % pharmalyte)을 첨가하여 빛이 차단된 조건에서 12시간 동안 rehydration 시킨 뒤 Ettan IPGphor3(GE healthcare, USA)에 strip을 올려놓은 후 cup loading 방식으로 100㎍ 단백질, DNase, pI marker를 loading 한 후 미네랄 오일을 첨가한다. 1단계에서는 500 V로 750Vhr, 2단계에서는 1,000V로 800Vhr, 3단계에서는 10,000V로 18,000Vhr, 4단계에서는 10,000V로 110,000Vhr 총 17시간 일차 전기영동한다. 이차 전기영동 (SDS-PAGE)을 위해 SDS gel 을 제작한다. 고정된 유리판 사이에 질소를 퍼지한 후 12.5% gel solution (monomer stock, 4× resolving buffer, DDW, 10 % SDS, 10 % APS, TEMED)을 넣어준 후 4시간 동안 굳혀서 사용하였다. 일차 전기영동이 끝난 IPG strip을 strip tray에 올려놓은 후 1% DTT가 포함된 equilibration solution을 넣어주고 equilibration 한 뒤 DTT 용액을 제거하고 iodoacetamide solution을 넣고 15분 기다린 후 iodoacetamide solution을 제거하였다. Ettan DALTsix electrophoresis unit (GE healthcare, USA)에 SDS buffer (Tris, Glycine, SDS, DDW)를 넣어 주고 4°C를 유지하면서 순환시켜 주고 SDS gel 위에 IPG strip 을 올려놓은 후 agarose solution을 넣어 SDS gel 과 IPG strip 을 고정시켜준 후 전압을 걸어 전기영동을 시작하여 1단계에서는 10㎃로 1시간 단백질을 정렬시키며, 2단계에서는 40㎃ 4시간 단백질을 분리하였다. 2D-PAGE가 끝난 gel은 silver nitrate staining을 통해 염색하여 분석하였다.
Ⅲ. 결 과
동백종자는 350 bar 60°C의 초임계 추출 결과에서 250분에 총 유지 함유량 36% 대비, 75%의 수율을 얻을 수 있었다. 하지만 이 추출물은 5000rpm, 20분, 5°C 원심분리하여 물과 왁스를 분리하고 남은 상층의 추출물만 사용하였다. 이때의 수율은 약 25%였다 (Fig. 2).
동백종자초임계추출물들은 gas chromatography를 통하여 6종 지방산 (C14, C16, C18, C18:1, C18:2, C18:3)을 분석하였다. 지방산 조성은 oleic acid (C18:1)가 84%가량의 가장 많은 조성을 보였다. Oleic acid가 많이 들어있는 천연 오일이 항산화 효과가 있다는 사실은 이미 많이 보고되어지고 있다13,14). 지방산 분석의 chromatogram은 아래 그래프에, 조성은 아래의 표에 나타내었다 (Fig. 3, Table 1).
| NO. | Fatty acid | component of fatty acid of extract from CJL |
|---|---|---|
| 1 | myristic acid | 0.1 |
| 2 | Palmitic acid | 8.6 |
| 3 | Stearic acid | 2.3 |
| 4 | Oleic acid | 84.0 |
| 5 | Linoleic acid | 5.0 |
| 6 | Linolenic acid | - |
동백종자추출물의 NO 억제 결과를 확인해본 결과를 아래 그래프에 나타내었다. NO발생량을 농도 의존적으로 줄어드는 것을 볼 수 있었다. MTT assay를 통하여 세포독성이 나타나지 않는 최고농도인 500ppm에서 control 대비 약 25% 가량 NO발생량을 저해하는 것을 확인하였다. MTT 세포독성 결과도 그래프로 함께 나타내었다(Fig. 4.).
동백종자초임계추출물의 beta carotene bleaching assay(Fig. 5)에서는 alpha-tocopherol 0.1% 대비 추출물을 단독으로 사용하였을 때 약 186%의 능력을 보여주는 것을 확인하였다. 10% 추출물 농도에서는 control의 약 65% 정도의 항산화 능력을 확인할 수 있는 것으로 보아 저 농도에서도 확실한 항산화 능력을 볼 수 있을 것으로 나타났다.
항산화 반응의 관련한 메커니즘은 매우 다양하게 있으며 원인에 따른 메커니즘 자체도 매우 다르다. 또 다양한 항염 물질들이 다양한 염증반응 메커니즘 중 어떠한 부분에 작용을 하여 항염반응을 나타내는지를 확인 하는 것도 어려운 일이기 때문에 이런 한계를 극복하고자 전체 proteome을 분석하여 만들어진 동백종자초임계추출물이 어떤 메커니즘에서 작용하여 항염 효능을 나타내는지 human dermal fibroblast cell(NF cell)에 동백종자초임계추출물을 적용하고 단백질을 추출해 알아보았다. Control과 sample의 단백질 spot의 모습은 아래 그림에 나타내었다(Fig. 6).
Control에서는 780개의 단백질 spot이 검출되었으며 동백종자초임계추출물을 처리한 cell에서는 1042개의 단백질 spot이 검출되었다. Control과 매치된 단백질은 모두 384개를 검출하였으며 5가지의 메커니즘 별로 나누어 결과를 도출해 내었다. 각 메커니즘 별 단백질의 변화를 이하 그림으로 나타내었다(Fig. 7-11). 5가지 메커니즘 상의 단백질이 모두 변화된 것을 확인하였다.
콜라겐 합성경로에 있는 6가지 단백질의 spot을 확인 할 수 있었다. Prolyl 3-hydroxlase2(P3H2), prolyl 3-hydroxlase3(P3H3)들은 콜라겐을 형성할 때 mRNA가 폴리펩타이드로 번역된 후 하이드록실화를 촉매하는 역할로 증가됨에 따라 콜라겐 합성에 도움이 된다3). Iso 형인 P4HA2, P4HA3들이 만들어 내는 효소인 P4H2, P4H3와 protein disulfide isomerase (PDI)도 증가할수록 콜라겐 합성에 도움을 준다15,16). 상단 그래프 상의 결과로 위에서 언급한 6가지 단백질 중 P3H2와 P4H3 단백질이 50%에서 100% 이상 증가됨을 확인 할 수 있었고 P3H3는 2배 이상 증가되는 것을 확인하였다(Fig. 7).
세포 내 matrix metalloproteinases (MMP)의 주요 역할은 세포외 매트릭스 단백질 뿐만 아니라 다수의 세포 활성 분자를 분해하는 것이다16,17). MMP-3, MMP-13은 콜라겐합성과정에서 세포외기질의 분해에 관여하여 control 대비 모두 감소했을 때 콜라겐 합성에 효과가 있다고 볼 수 있다. 실험결과에서는 두 단백질 모두 감소한 것을 확인 할 수 있었고 특히 MMP-13에서는 80%이상 매우 크게 감소되는 것을 확인 할 수 있었다.
Integrin beta-1, integrin beta-3는 세포외 매트릭스 및 생체 역학적 리모델링에 중요한 역할을 한다. 이 수용체 단백질인 Integrin beta-1이 control대비 약 500%로 크게 증가됨은 콜라겐 합성에 도움을 주는 것으로 파악된다.
Interleukin-1(IL-1)는 type I, III의 pro-collagen mRNA의 정상 상태 수준을 감소시키고 면력이나 조직 리모델링, 재생 과정, 염증반응 등 필수적인 생물학적 과정에 관여 되고 있으며 본 실험에서 control대비 감소됨을 확인 할 수 있었다18).
Antioxidant enzymes은 체내에서 만들어지는 항산화 물질로 활성산소가 생성되는 과정에서 활성산소를 제거해주는 효소단백질이다. 활성산소는 이미 노화의 주범으로 알려져 있으며 glutathione(GHS), catalase 은 superoxide dismutase에 의해 분해된 과산화수소를 산소와 물로 분해시키는 역할을 한다. 모두 증가됨에 따라 콜라겐 합성을 촉진하는 것으로 확인하였다. catalase는 control 대비 약 두겁 배 정도의 큰 증가폭을 보였다.
Ⅳ. 고 찰
과거 한국 민간에서는 冬栢油를 머릿기름으로써 미용용도로 많이 사용하였으나, 韓醫學에서는 그 사용례가 많지 않았다. 冬栢油를 치료용 약재로 사용한 대표적인 사례는 한국의 황도연의 《醫宗損益》5)으로 “湯燒傷, 卽急向火灸, 強忍一時不痛, 忌冷物冷水. 熱毒不出, 新增, 冬柏油塗之神效.”로 제시되어 있다. 湯燒傷은 화상의 다른 명칭으로 韓醫學에서는 화상을 “燒傷系熱毒灼盛傷皮肉 導致熱盛傷陰 熱毒內攻 臟腑不和陰陽不衡失調 後期爲毒邪漸退 久病導致氣血兩虧 或陰傷爲敗 因此諸症進生”이라 하여 火毒의 邪氣가 원인이 된다고 인식하고 있다20). 이는 외부의 고온, 고열의 물리적, 화학적 자극에 의해 화상이 발생한다는 현대적 관점과 일맥상통 한다21).
현대 병리학에서는 외부의 고온, 고열의 의해 발생한 화상상처 수복에 있어서 염증단계, 증식단계, 세포조직 재형성단계, 이 3가지 단계가 연속적으로 이루어 질 때 효과적인 화상상처 수복이 된다고 제시하고 있다. 염증단계는 호중구에 의해 박테리아, 외부물질, 손상된 세포조직을 제거되면서 이와 동시에 세포조직의 감염이 방지되는 단계이다. 증식단계는 신생혈관이 신규 증식하는 세포에 산소와 영양분을 공급하며, 섬유아세포가 상처부위로 이동 후 증식하며 프로콜라겐을 생산하는 단계이다. 세포조직 재형성단계는 화상상처 수복의 마지막 단계로서 콜라겐이 상처 부위에 콜라겐의 합성과 저하가 균형을 이루며 적합하게 증식하는 것이 중요한 것으로, 이 단계에서 콜라겐 합성과 저하의 불균형이 발생될 경우 만성적 흉터, 켈로이드 등이 발생할 수 있다22). 이와 같은 상처수복의 병리학적 기전을 서양의학임상현장에서는 화상으로 유발된 홍반, 부종, 통증과 같은 과도한 염증반응을 억제하기 위하여 국소적으로는 부시피질 호르몬을 사용하며, 세포조직 재형성단계가 잘 이루어지지 않아 신생 콜라겐이 부족할 경우 이를 대체하기 위하여 피부이식, 피부 대용품(skin substitute), 배양된 표피로 결손부위를 덮는 치료를 시행한다11,12).
韓醫學에서도 火毒의 邪氣로 유발된 화상에 대해 상처수복을 목표로 하며 解毒止痛, 收斂, 通利熱毒을 치료원칙으로 한다. 이는 《醫宗金鑑》23)에 “湯火燒 皮欄疼起挑破 使毒輕 煩燥作嘔 防毒陷 便秘 神昏氣喘亡. 初用淸凉膏塗之 解毒止痛 不致臭欄 次以罌粟膏塗之 痛止生膿時換 黃連膏貼 之收斂 火毒攻裏者 宜四順淸冷飮服之 務令二便通利則熱毒必解”로 제시되어 있다. 이 같은 화상 치료원칙에 부합하는 약물 중 淸熱燥濕, 瀉火解毒의 韓醫學적 약성을 가진 미나리아재비과에 속하는 黃連(Coptidis Rhizoma)의 경우24), 세포조직의 염증과 사멸에 대한 연구25), 세포재생과 관련된 보고26), 항산화 효과27)에 대한 선행 연구들이 있었으며 이와 같은 韓醫學적 약성과 현대 약리적 특성에 기반하여 화상을 유발한 백서에서 화상상처수복을 평가한 실험에서 유의미한 결과가 있었다20).
화상의 치료에 사용하는 冬栢油의 경우 화상상처수복을 위한 서양 의학적 치료 방법과 한약재 黃連과 비슷한 기전으로 항노화, 항산화, 항염 효과에 대한 효능이 있을 것으로 생각되었으나, 이에 대한 연구가 많이 이루어지지 않았다.
또한 동백나무에 대한 기존 연구는 식품영양학에서 冬栢油를 음식 조리용으로 활용하기 위해서 대두유, 옥배유 등과 비교한 산화안정성과 관능평가에 대한 양 등의 연구만 있으며6), 冬栢油 자체의 항노화, 항산화, 항염의 효과에 대한 선행 연구는 보이지 않았다. 동백나무의 다른 부위에 대해서는 선행 연구가 있었는데, 잎과 꽃 부분에 대한 이3) 등과 김8) 등의 항산화, 항미생물에 대한 연구, 종실과 유박에 대한 강9) 등의 사포닌, 아미노산 조성에 대한 연구와 강10) 등의 항균활성에 대한 연구가 되어 있으나, 항노화, 항염의 효과에 대한 연구는 보이지 않았다. 冬栢油에 대한 실험적 연구가 적은 것은 本草學에서 冬栢油의 사용례가 적었던 것에 기인 한 것으로 생각된다. 이에 본 연구는 冬栢油의 피부 섬유아세포와 대식세포를 통하여 피부 항노화, 항산화, 항염 효과를 평가하였다. 본 연구의 실험 결과에서 보듯 beta carotene의 노란색의 산화도를 보아 항산화능을 판단하는 항산화실험, 과잉으로 생산되면 조직의 손상, 유전자 변이 신경손상 등을 일으키는28) Nitric oxide의 발생량을 확인하기 위한 항염효과 실험을 통한 효능결과 외 실험 결과에서 거론했듯이 섬유아세포 내 기작의 단백질 중 콜라겐 합성에 도움을 주는 P3H3, P4HA2, P4HA3, P4H2, P4H3, PDI, Integrin beta-1, integrin beta-3가 모두 증가되고, 감소됨으로서 콜라겐 합성에 도움이 되는 MMP-3, MMP-13, Interleukin-1는 모두 감소되는 것을 확인하였다. 이는 피부에서 콜라겐의 합성을 촉진하거나 도우면서 화상상처가 수복되는 마지막 단계에서 콜라겐 합성의 균형을 이루어 줄 것으로 생각되었다. 이와 같은 항노화, 항산화, 항염 효과를 가지는 CJL의 경우 《醫宗損益》5)에서 사용 된 용례와 같이 화상에 대한 외용제 및 항노화 항산화능을 이용한 현대적 피부외용 소재로서 활용할 수 있을 것으로 사료된다. 또한 본 연구에서는 초임계이산화탄소 추출방법은 추출에 의한 화학적인 반응이 없는 장점이 있으며, 상온에서 기체 상태인 이산화탄소를 사용함으로서 상온에서 모두 날아가기 때문에 잔존용매가 없다. 용매의 순수함, 저렴함, 무독성, 비인화성을 특징으로 하고 있으며 본래 친환경적인 물질을 사용함에 따라 현대의 소비자들의 믿음을 크게 반영할 수 있는 천연물 추출방법이다. 초기 장비의 세팅금액이 큰 단점이 있지만 물과 알코올과 다르게 비극성 물질만 추출할 수 있어 비극성 물질의 효능만 확인하였기 때문에 CJL에 대한 극성 별 효능을 더 연구하게 된다면 범용성 소재로서 사용할 수 있기에, 향후 추가적인 연구가 필요할 것으로 생각된다.
Ⅴ. 결 론
본 연구에서는 동백종자초임계추출물이 가지는 기본적인 조성과 세포내 항염 효과와 피부 섬유아세포에 적용하여 단백질 변화를 확인하여 다음의 결론을 얻었다.
-
초임계 이산화탄소를 이용하여 동백종자를 추출하였을 때 350 bar 60°C 조건에서 약 25%의 초임계추출물을 얻을 수 있었고, 지방산 분석결과 불포화지방산인 올레익산이 84%로 가장 높은 조성을 보였다.
-
Nitric oxide(NO)억제효과와 beta-carotene을 이용한 항염, 항산화 평가에서 모두 농도 의존적으로 효과가 있는 경향을 보였다. NO 억제율은 약 20%을 보였고 최고농도에서 0.1% alpha-tocopherol 보다 약 두 배의 효과를 보이는 것을 볼 수 있었다.
-
Human dermal fibroblast cell에 동백종자초임계추출물을 처리 해 단백질의 변화량을 확인한 결과 콜라겐 합성을 억제하는 효소 단백질의 양은 처리 후 감소되는 반면 합성에 필요한 단백질은 대부분 상승하는 경향을 확인하였다.





